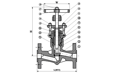
| 鍛鋼自密封截止閥900Lb~2500Lb 标準材質明細表 | 序号 | 零件名稱 | CS to ASTM | AS to ASTM | SS to ASTM | | Ttpe A105 | Type A182 F22 | Type A182 304(L) | A182 F316(L) | | 1 | 閥體 | A105 | A182 F22 | A182 F304(L) | A182 F316(L) | | 2 | 閥瓣 | A276 420 | A276 304 | A276 304(L) | A276 316(L) | | 3 | 閥杆 | A182 F6 | A182 F304 | A182 F304(L) | A182 F316(L) | | 4 | 密封螺母 | A105 | A182 F304 | A182 F304(L) | A182 F316(L) | | 5 | 密封圈 | A182 F304L | A182 F316L | | 6 | 閥蓋 | A105 | A182 F22 | A182 F304(L) | A182 F316(L) | | 7 | 銷釘 | A276 420 | A182 F304 | | 8 | 墊圈 | A105 | A182 F22 | A182 F304(L) | A182 F316(L) | | 9 | 提升螺母 | A194 2H | A194 4 | A194 8 | A194 8M | | 10 | 填料 | 柔性石墨 | PTFE | | 11 | 手輪 | A276 420 | A182 F304 | | 12 | 填料壓闆 | A216 WCB | A351 CF8 | | 13 | 填料壓闆 | A193 B7 | A193 B16 | A193 B8 | A193 B8M | | 14 | 螺母 | A194 2H | A194 4 | A194 8 | A194 8M | | 15 | 閥杆螺母 | A276 410 | | 16 | 手輪 | A197 | | 17 | 銘牌 | SS | | 18 | 螺母 | A194 2H | A194 4 | A194 8 | A194 8M | 适用介質 | 水、蒸汽、油品等 | 水、蒸汽、油品等 | 硝酸、醋酸等 | | 适用溫度 | -29℃~425℃ | -29℃~550℃ | -29℃~180℃ | 注意:客戶需求的其他材質也可采用。密封面料配對由客👱🏼♂️戶指定内件代号決定。 CS=碳鋼;AS=合金鋼;SS=不鏽鋼;
尺寸(mm)和重量(kg)| NPS | 1/2" | 3/4" | 1" | 11/4" | 11/2" | 2" | | L(RTJ) | 900Lb~1500Lb | 216 | 229 | 254 | 279 | 305 | 368 | | 2500Lb | 264 | 273 | 308 | 349 | 384 | 451 | | H(開) | 900Lb~1500Lb | 318 | 318 | 318 | 398 | 408 | 524 | | 2500Lb | 333 | 333 | 333 | 410 | 420 | 524 | | W | 160 | 160 | 180 | 200 | 250 | 280 | | 重量 | 900Lb~1500Lb | 15.5 | 16.9 | 18.9 | 28.9 | 34.3 | 52.8 | | 2500Lb | 18.0 | 20.5 | 23.0 | 36.1 | 45.0 | 81.5 |
|